HOT TUB PREPARATION
Hot tub must be placed on a flat, leveled surface (eg.: a wooden terrace or concrete surface). If the hot tub will not be positioned properly on the surface, this tub can lose strength, stability, or even aesthetic appearance.
PLACING
Before starting to use the tub, it should be washed thoroughly. The polypropylene (plastic) tubs can be cleaned using the same chemicals as for the cleaning pools. To clean fiberglass tubs and maintain hygiene it is necessary to use specialized chemicals suited for SPA baths and with recommended doses.
CLEANING
After washing the tub, it can be filled with water (tap water). Before starting to use heating on the hot tub, make sure to fill water up leaving 10cm from top of edges.
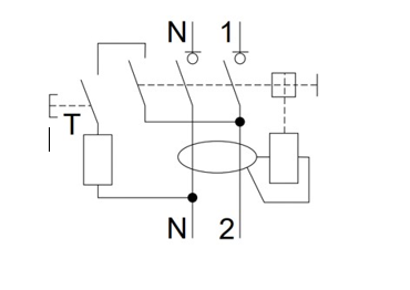
ELECTRICITY
If the acquired tub has electrical components (SPA systems, LED lighting, filters, electrical heating) we recommend to connect the hot tubs electrical system directly to an electrical stationery wire, so no electrical outlets would be required. The stationary wire needs to be connected to the hot tubs relay, accordingly to the following diagram:
To avoid electrical equipment problems and secure safety you must make sure the electricity is with grounding.  If the tub has electrical heating, the stationary wire needs to be 2,5 m² thick.
WATER FILLING
After washing the tub, it can be filled with water (tap water). Before starting to use heating, make sure to fill water up leaving 10cm from top of edges.
HOT TUB HEATING
HOT TUB WITH INTERNAL HEATER
When the hot tub is filled with the right amount of water (10cm space from the top of the tub edge), you    can fire up the heater. The best way to fire up the hot tub is with small pieces of wood and paper. When the  flame is getting bigger you can add bigger pieces of wood. It is recommended to use dry wood. Fire thrust can  be adjusted with the lid located on the top of the heater.
Do not add more wood than 2 thirds of the height of the heater.
Keep in mind that until the tub has the appropriate amount of water, you can’t light the heater, because the emitted heat will damage the tub.
Water temperature in fiber glass hot tubs can’t rise higher than +45C° as higher temperature can damage the fiber glass alloy.
Water from the hot tub can be released only when the oven is completely cooled. Otherwise, the remaining heat will damage the hot tub and the heater
HOT TUB WITH EXTERNAL HEATER
External heater, as well as an outdoor hot tub must be placed on a flat, firm ground. It is important that the front of the heater is slightly below. The external heater circulation system is forbidden to connect additional filters or circulatory.
When the hot tub is filled with the right amount of water (fill until there is 10cm space from the top of the hot tub edge), you can fire up the heater. The best way to fire up the tub is with small pieces of wood and paper. When the flame is getting bigger you can add bigger pieces of wood. It is recommended to use dry wood. Fire traction can be adjusted with the oven door deflector.
Make sure do not add too much wood, so the flame won’t burn through the doors.
Keep in mind until the tub has the appropriate amount of water, you can’t light the heater, because the emitted heat will damage the tub.
Water temperature in fiber glass hot tubs can’t rise higher than +45C° as higher temperature can damage the fiber glass alloy.
Water from the tub can be released only when the oven is completely cooled. Otherwise, the remaining heat will damage the hot tub and the heater itself.
HOT TUB WITH INTEGRATED HEATER
When the tub is filled with the right amount of water (fill until there is 10cm space from the top of the hot tub edge), you can fire up the heater. The best way to fire up the hot tub is with small pieces of wood and paper. When the flame is getting bigger you can add bigger pieces of wood. It is recommended to use dry wood. Fire traction can be adjusted with the oven door deflector.
To have a good thrust make sure not to add too much wood so the flame won’t burn through the doors.
Keep in mind until the hot tub has the appropriate amount of water, you can’t light the heater, because the emitted heat will damage the tub.
Water temperature in fiber glass hot tubs can’t rise higher than +45C° as higher temperature can damage the fiber glass alloy.
Water from the tub can be released only when the oven is completely cooled. Otherwise, the remaining heat will damage the hot tub and the heater itself.
HOT TUB WITH ELECTRIC HEATER
When the hot tub is filled with the right amount of water (fill leaving 10cm space from the top of the hot tub edge), you can fire up the electric heater.
First, activate the circulation pump with a buttons that is on the panel of the tub. After, it is time to adjust your desired temperature. The temperature is controlled by swirling dial located on the heater. When temperature reaches the target (the desired heat level) electric heater shuts off automatically. After the water cools down, Â the heater turns itself on automatically to heat the water up to your adjusted temperature.
Do not turn on the heater if the water level hasn’t reached its recommended level.
To completely turn off the heater, turn the circulation pump off (circulation pump is activated/deactivated with the same button on the panel of the tub).
Pouring the water out of the hot tub, the electric heater must be switched off (including the circulating pump).
Water temperature in fiber glass hot tubs can’t rise higher than +45C° as higher temperature can damage the fiber glass alloy.
Electric heater usage during sub-zero outdoor temperature:
- The roller needs to be pointing on 0 C° before pouring in the
- Pour 20-30l of warm water in the hot tub, and turn on the circulation
- Fill the hot tub with water to the recommended
- After the hot tub is filled with the recommended amount of water, set the heater roller to your desired
These steps need to be made during the cold season, when the outside temperature is below zero, so the circulation-pump won’t freeze.
SPA SYSTEMS USAGE AND MAINTENANCE
Air massage system structure: air compressor (700W power) and 12 pieces of Air jets – mounted in the wall of the tub, as well as other installation materials. Air massage on/off is located on the panel of the hot tub.
After releasing the water from the hot tub, keep the air massage active for 30 seconds to remove water from the system.
In the cold season, you can turn on the air system only when the water temperature is above 30C°.
WATER MASSAGE SYSTEM
Structure of water massage system: Water compressor (900W-1100W power) and 6 pieces of Water jets or water compressor (2200W power) and 10 pieces of Water jets plus other installation materials.
Water massage on/off is located on the panel of the hot tub. Water massage system has an additional controller (Compact design with rotatable handle in the tub panel next to the On / Off button) to manage their water flow “spray power”.
After releasing the water from the hot tub, keep the air massage active for 30 seconds to remove water from the system.
In the cold season, you can turn on the air system only when the water temperature is above 30C°.
COMBINATION SPA SYSTEM
Combination SPA system structure: air compressor (700W power) and water compressor (900-1100W), 8 pieces  of combined water / air jets – installed in the tub wall, plus additional 4 pieces of air jets.
SPA combination massage system has 2 switches in the tub panel. One of them turns on / off the air compressor, the other switches on / off water compressor. You can enable air massage or water massage, or both devices together.
After releasing the water from the hot tub, keep the air massage active for 30 seconds to remove water from the system.
In the cold season, you can turn on the air system only when the water temperature is above 30C°.
WATER FILTERS
SAND FILTER
Sand water filter is being built next to the tub and connected by two hose through which filter water in the tub.
In the cold season, when the air temperature is below 0 degrees, it is necessary to close the filter openings inside the tub, so the water can’t reach and freeze the filter connection hoses.
When heated tub warms up to +30 degrees, open the filter openings. If the tub is kept at a constant temperature, the filter can be used in sub-zero temperature.
OTHER INFORMATION
PROHIBITED! Keep water in the tub, if outside air temperature is below zero and the tub is not supported with oven or electric heater to keep warm optimal water temperature.
At least once a year it is recommended to impregnate wood finishes with paint (impregnate liquid or outdoor paint).
The oven cleaning is recommended every 3-5 times after using the hot tub, using a small spatula.
For water care use recommended doses of chemicals. Fiberglass hot tubs are especially sensitive and only specialized
SPA bath chemicals with recommended doses can be used for it.
Using unsuitable chemicals or higher doses than recommended may damage hot tubs or heaters and warranty service will not be applied.
Do not leave functional hot tub without any attention!
For safety reasons do not leave children unattended inside hot tub or next to it while the water is filled up for  any circumstances!
Always be safe with fireplace if the tub is heated with external or internal heater.
Hot tubs, heaters, massage systems, filter systems and other components must be used as intended and as described in these instructions, otherwise warranty service will not be applied.
Important links:

